血清为何是细胞生长“必需品”?教你如何判断优劣胎牛血清
在细胞培养实验室中,血清是绝大多数哺乳动物细胞的“生存必需品”——从基础科研的细胞传代,到疫苗研发、基因治疗的工业化生产,它的品质、浓度与使用方式,直接决定细胞状态与实验成败。很多同学都有过类似困扰:为什么我换一批血清,就出现了细胞生长缓慢、形态异常,甚至实验数据无法复现?其实,血清的选择与使用藏着诸多门道,今天就从核心角度全方位解析,帮你避开误区、用好这份细胞“营养大餐”!
血清是细胞培养体系中重要的营养来源
-
生长因子类:EGF、FGF、IGF等直接调控细胞增殖、分化与凋亡,是细胞“存活增殖”的核心动力;
-
贴壁因子类:纤维粘连蛋白、层粘连蛋白等,帮助贴壁依赖型细胞附着器皿、维持正常形态;
-
其他营养与保护成分:氨基酸、维生素、脂质等是微量却不可缺少的营养素,满足细胞代谢需求;白蛋白、转铁蛋白可结合毒素、维持pH稳定;蛋白酶抑制剂则是减少细胞损伤,减少凋亡风险。
尽管市面上已有成分明确的“血清替代物”,但对于原代细胞、间充质干细胞、多数细胞系而言,胎牛血清中某些复杂的营养成分和生物活性是无法被替代的。天然血清在维持细胞形态,促进细胞增殖等方面具备得天独厚的优势。
不同品牌血清:质控差异决定细胞“生存质量”
-
优质品牌:严格筛选健康供体,采用低温离心、0.1μm滤膜多重过滤等标准化工艺,每批次检测细胞活力、无菌性、内毒素(通常<5EU/mL),批次间活性波动<10%,适配不同细胞类型的专属需求;
-
劣质品牌:为降本选用病牛、老年牛血清,加工流程简陋,过滤不彻底,易残留污染物,批次间差异可达30%以上,直接导致细胞生长异常甚至污染。
优质血清特质
-
外观:清澈透明,无浑浊沉淀,血红蛋白含量低;
-
细胞增殖支持力强:48小时增殖率可达劣质组的2-3倍;
-
批次稳定:内毒素、支原体等达标,能维持细胞原有生理特性。
劣质血清危害
-
细胞形态功能异常:生长因子失衡,原代细胞丧失功能,肿瘤细胞异质性增加;
-
数据失真:批次差异大,实验结果无法重复,隐性成本远高于优质血清。
实际应用中,优质血清能让细胞传代稳定、实验重复性高,而小众劣质血清可能让细胞生长速度明显下降,甚至凋亡率飙升,选择时需优先关注质控与口碑,而非盲目追求“低价”。
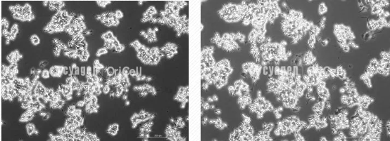
经典案例:RAW264.7细胞培养选用血清不当
在相同处理条件和培养时间下,RAW264.7细胞在劣质血清中增殖明显减缓,形态上多呈扁平、拉丝状,表现出显著的极化特征;而在优质血清中,细胞增殖正常,形态圆润,呈半贴壁半悬浮状态,未见极化现象。
劣质血清

优质血清

血清浓度:精准匹配才是关键,过高过低都是“细胞杀手”
“基础培养基+10% FBS”这个组合,相信很多细胞培养者都不会陌生。然而,不同细胞类型以及不同培养目的,对血清浓度需求截然不同,需要根据实际情况进行微调:
-
常规细胞系(HeLa、HEK293):适配8%-12%浓度,通常为10%,平衡营养供给与代谢负担;
-
原代细胞(肝细胞、心肌细胞):需15%-20%高浓度,维持体外存活与功能稳定;
-
特殊场景:
-
药物毒性检测:用2%-5%浓度,降低血清中生长因子和结合蛋白对药物效应的干扰;
-
脂质体转染:为提升转染效率,转染前12小时将降低血清浓度降低至5%,并在转染过程中使用无血清基础培养基。
如果用量不当:
-
长时间血清过少(通常<5%,特殊细胞除外):营养匮乏
-
生长停滞:细胞进入G0期,细胞密度长期不增长,细胞抵抗力减弱;
-
形态异常:贴壁细胞无法正常附着,出现皱缩漂浮;
-
功能衰退:代谢酶活性异常,分泌功能下降。
-
血清过多(>15%):营养过剩
-
过度增殖:代谢废物积累引发凋亡,部分细胞异常分化,细胞极容易进入衰退期(后续不再增殖);
-
实验干扰:血清中大量蛋白、因子会掩盖实验处理的效果,如血清蛋白结合药物,导致药物筛选出现假阴性;
-
成本浪费:该省省该花花。很多科研人存在误区:“血清营养丰富,多加点总没坏处”,或为节省成本“能少则少”。但实际上,血清用量超出或低于适配范围,都会对细胞造成不可逆的影响。
OriCell®不同等级血清适配场景
|
货号 |
FBSAD-01011 |
FBSSR-01021 |
FBSST-01033 |
|
等级 |
|||
|
产地 |
澳大利亚/新西兰 |
新西兰 |
南美乌拉圭 |
|
应用 |
适合几乎所有难养原代细胞的培养 |
适合间充质干细胞和绝大部分体细胞的培养 |
适合细胞系的培养 |
赛业生物OriCell®进口胎牛血清产品丰富,澳大利亚/新西兰/乌拉圭原装进口,安全可追溯,经过多道分离、纯化、过滤工艺,质地纯净,内毒素及其他免疫原性蛋白含量极低,批间一致性更高!OriCell®为您用多种细胞测试每一批次胎牛血清的性能,其在细胞的形态、增殖速度、克隆形成能力等考察项目中均表现优秀。年末福利驾到,订购新西兰进口的特级、优级胎牛血清享好价,更有丰厚科研大礼包,点击或扫码查看详情及订购
填写需求描述给我们
工具快速咨询
400-680-8038
info@oricellbio.cn
