如何减少RAW264.7细胞分化?保持“年轻态”的秘诀!
RAW264.7是小鼠来源的单核巨噬细胞系,广泛用于免疫学、炎症反应、肿瘤微环境及药物筛选研究。因其易于培养、转染效率高,成为实验室的“明星细胞”之一!它脾气不算难搞,但稍不留神就给你整一出‘炸毛’——今天贴壁贴得比502还牢,明天就突然化身“悬浮小气泡”;转染刚想秀操作,它却当场表演“集体躺平”。
别慌!今天咱们就把RAW264.7的正确打开方式再整理成一份“细胞分化防坑指南”,直接上干货!
细胞简介
产品名称:小鼠单核巨噬细胞白血病细胞
英文简称:RAW264.7
别称:RAW264、RAW2647、RAW264.7、RAW-264.7、Raw 264.7、Raw264.7
培养体系:DMEM+10%FBS,37°C,5% CO2。
细胞形态:巨噬细胞样,贴壁生长
倍增时间:24~48h
传代比例:1:3~1:6
OriCell® 细胞货号:M3-0101
OriCell® 完全培养基货号:CMM3-0101(500mL)
OriCell® 即用型培养基货号:DMM3-0101(200mL)
细胞背景
小鼠单核巨噬细胞白血病细胞系(RAW264.7)是从Abelson小鼠白血病病毒诱发的BALB/c雄性小鼠的肿瘤组织中分离出来的,该细胞易于培养和传代,对RNA干扰敏感、DNA转染效率高,常用作转染宿主细胞和复制小鼠诺如病毒。细胞表面sIg-、Ia-、Thy-1.2抗原阴性。
小鼠单核巨噬细胞白血病细胞系(RAW264.7)可用于氧化应激、炎症和抗菌活性等研究。在免疫学研究中,巨噬细胞的免疫应答机制,如细胞因子的产生与功能,在炎症相关研究中,能模拟体内炎症反应,筛选抗炎药物等。
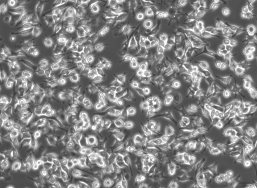
一、RAW264.7细胞到底是什么形态的呢?
在常规培养状态下,RAW264.7细胞在未受诱导分化时主要表现为两种形态:贴壁不紧密的纺锤状细胞以及圆形/立方形细胞。随着培养体系中细胞密度的增加,部分贴壁细胞会出现形态学改变,表现为胞体回缩变圆或形成细胞聚集体,其中部分细胞会脱离培养基底进入悬浮状态。
Tips:这些悬浮细胞仍保持生物学活性,在进行传代操作时应当予以保留,可通过250×g 离心4 min收集这些细胞,将获得的细胞沉淀重新悬浮后即可继续用于后续培养。

100X
200X
RAW264.7镜下良好形态
二、RAW264.7细胞分化后的细胞形态是怎样的呢?
- 由贴壁不紧密的纺锤状细胞以及圆形/立方形细胞形态,转变为大而扁平的不规则多边形或多突触状且贴壁能力显著增强;
- 细胞边缘可见明显的丝状伪足;
- 胞质铺展面积增大,细胞出现扁平化;

40X

100X
RAW264.7镜下极化后形态
三、RAW264.7如何处理才能减少分化呢?(吹打法)
- 传代时使用吸管或移液管吸弃
部分细胞培养上清,留少许培养上清在细胞培养瓶或皿中,方便吹打即可。(如6 cm培养皿只留2~3 mL上清)。
注意:若镜下观察有大量悬浮细胞存在,需将上清全部收集和吹打后的细胞一起离心,避免损失。
- 使用1 mL一次性枪头或移液管吸取培养上清,直接吹打培养容器底面数次。
注意:吹打动作不可剧烈,避免产生大量气泡,可能损伤细胞,已分化且吹不下来的细胞果断丢弃。
- 将细胞悬液转移至15 mL离心管中。
- 用PBS(6 cm培养皿加入约3 mL,10 cm培养皿加入约6 mL)洗涤培养容器1次,收集残留细胞。
- 收集的所有细胞悬液以250×g离心4 min。
- 离心后去除上清。
- 15 mL离心管中加入2 mL完全培养基,轻柔吹打细胞沉淀,充分吹散、混匀。
- 将细胞按(4~6)×104个活细胞/cm2接种至适宜的培养容器内。
- 摇匀细胞,放入37℃、5% CO2、饱和湿度的CO2培养箱中。
- 传代次日,观察细胞状态。若发现较多漂浮且状态不佳细胞,应予以换液。
每3天更换一次新鲜的培养基,待细胞汇合度至85%以上,即需传代或冻存。
Tips:
建议使用培养皿进行该细胞培养,原因:
- 相较培养瓶来说,培养皿因物理空间和表面张力差异表现出更易吹打的特点;
- 培养皿的开放结构允许枪头低角度吹打,减少流体剪切力对贴壁较弱细胞的损伤。
填写需求描述给我们
工具快速咨询
400-680-8038
info@oricellbio.cn