人乳腺癌细胞系MDA-MB-231细胞培养攻略
人乳腺癌细胞(MDA-MB-231)是从一名白人女性乳腺癌患者的胸水中分离建立的,属于三阴性乳腺癌细胞系。这种细胞系具有高度转移和恶性侵袭的特性,广泛用于乳腺癌的相关研究。
认识MDA-MB-231细胞系
细胞名称:人乳腺癌细胞系
英文简称:MDA-MB-231
别称:MDA-231、MDA-231P、MDA-MB231、MDAMB-231、MDA231-BRE、MB 231、MD Anderson-Metastatic Breast-231等
OriCell®细胞货号:H2-0301
OriCell®完全培养基货号:CMH2-0301(500mL),DMH2-0301(200mL,即用型)
细胞特性:贴壁生长;上皮细胞样
培养条件:100%空气;37℃
培养基:L-15+10% FBS
倍增时间:24~48h
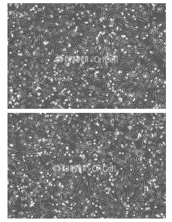
MDA-MB-231细胞正常形态图(100X)
形态均一、细胞轮廓清晰、胞质透亮折光性强、无可见的胞内颗粒物堆积或空泡。

MDA-MB-231细胞系收货与培养要点
MDA-MB-231细胞系收货后该怎么做?
1. 常温运输瓶
-
75%酒精喷瓶→超净台→去封口膜再擦瓶口。
-
镜下检查是否大片细胞脱落/污染(如正常,至下一步骤)。
-
静置37℃、100%空气≥2h,让运输震落的细胞重新贴壁。
-
留1mL培养基4℃存样,弃多余培养基,留10mL新鲜完全培养基继续培养。
-
每3天换液,汇合度95%时传代。
2. 冻存管
-
收到的冻存细胞如24h内复苏:-80℃暂存;>24h:直接液氮保存。
-
复苏前10min转-80℃冰箱短暂平衡10min左右。
-
37℃水浴快速融化(剩2mm冰晶即停)→250×g,4min离心→重悬接种T25(≥5mL完全培养基)
-
37℃、100%空气,2h内勿动,让细胞贴壁;次日换液或传代。
-
每3天换液,汇合度95%时传代。
1.预处理
培养基、PBS、0.25%胰酶均预热37℃。
2. 消化
-
PBS洗2次→加1.5mL(T25)/3mL(T75)胰酶→镜下70-80%细胞变圆即拍壁脱落。
-
立即加2倍体积完全培养基终止,轻吹打收集。
3. 接种密度
-
计数法:(2–3)×10⁴活细胞/cm²
-
比例法:1:3–1:5,72h内可达95%汇合
-
摇匀后37℃、100%空气培养
4. 日常培养
-
传代次日观察,漂浮多即换液。
-
每3天换完全培养基,汇合度95%再次传代或冻存。
-
全程37℃预热试剂,动作轻、气泡少。
-
该株为贴壁上皮样,L-15+10% FBS,100%空气最适;也可使用DMEM替代L-15,使用DMEM培养基时即可正常通入5%二氧化碳,更换体系前建议保种。
-
任何异常(大量漂浮、浑浊、空泡等)及时联系细胞供应商。
MDA-MB-231细胞系成瘤验证
相较于其他癌症,乳腺癌的肿瘤移植模型构建更具挑战性:部分乳腺癌细胞株在体外培养时生长缓慢,或是在小鼠体内接种不易成瘤。赛业生物已成功建立了MDA-MB-231细胞系的肿瘤移植模型,基于C-NKG、NOD-Scid小鼠作为受体,并通过皮下进行接种。MDA-MB-231细胞系可单独出售,也可提供对应的肿瘤移植模型构建及药效评价服务。
赛业生物验证数据:


乳腺癌细胞MDA-MB-231乳垫移植肿瘤及体重生长曲线(n=6)。将细胞以乳垫注射的形式接种到7周的C-NKG和NOD-Scid小鼠体内,并在不同的时间点测量成瘤体积。细胞接种量为1×107/只,数据以Mean±SEM形式呈现。结果显示MDA-MB-231在C-NKG和NOD-Scid容易成瘤。肿瘤体积预计在接种后25天达到100-200mm3,在接种后55天达到1000mm3实验终点(乳垫肿瘤体积达到1000mm3后期容易破溃,结痂),给药窗口期预计在30天左右。
赛业生物MDA-MB-231相关体外模型推荐
赛业生物OriCell®为科研人员提供稳定且质量可靠的MDA-MB-231细胞供应及支持,细胞通过细菌、真菌、支原体、内毒素检测及STR鉴定、成瘤性验证,还可提供细胞所需的各类培养试剂。
OriCell®相关产品推荐
|
产品名称 |
货号 |
|
H2-0301 |
|
|
H2-0303 |
|
|
H2-0304 |
|
|
H2-0305 |
|
|
CMH2-0301(500mL) DMH2-0301(200mL) |
|
|
FBSST-01033 |
细胞规格:1*10^6。此外,还可提供4T1、BT-20、MCF-7、MDA-MB-361、MDA-MB-436、MDA-MB-453、MDA-MB-468、SUM149PT等众多经典乳腺癌细胞系,满足不同乳腺癌疾病研究工具需求。
MDA-MB-231细胞常用于实验室中与乳腺癌相关的基因表达及功能研究。依托成熟稳定的细胞技术服务平台,赛业生物可提供MDA-MB-231细胞系的基因修饰包括基因敲除、点突变、基因敲入、过表达和干扰等,以及细胞常规功能及特性检测等服务。
KO细胞模型推荐(部分列举)
|
细胞名称 |
基因名称 |
NCBI编号 |
服务编号 |
|
MDA-MB-231 |
Cd274 |
29126 |
SY-KO-00246 |
|
MDA-MB-231 |
FSIP1 |
161835 |
SY-KO-00439 |
|
MDA-MB-231 |
GDF15 |
9518 |
SY-KO-00126 |
|
MDA-MB-231 |
HKDC1 |
80201 |
SY-KO-00374 |
|
MDA-MB-231 |
PANX1 |
24145 |
SY-KO-00430 |
|
MDA-MB-231 |
SLC26A9 |
115019 |
SY-KO-00004 |
填写需求描述给我们
工具快速咨询
400-680-8038
info@oricellbio.cn